在兴隆庄煤矿火车发运五股道,一场悄无声息的设备“微创手术”近日圆满收官。手术对象并非人,而是深埋于铁轨之下、与道轨间隙仅10毫米的“铁牛”导向轮。如今,这个曾需“伤筋动骨”拆解铁轨才能维护的“倔牛”,已被驯服为两小时即可轻松完成保养的“听话牛”,为煤矿发运效率提升注入了强劲动力。

一场“卡脖子”的10毫米困局
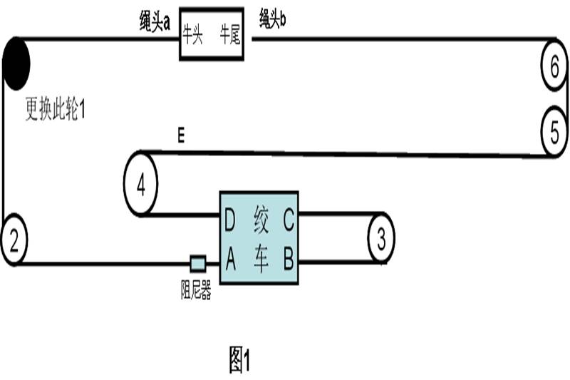
时间回溯至改造前,五股道的“铁牛”牵引系统是装车作业的“动力心脏”,而其核心部件——绞车钢丝绳导向轮,却常年潜伏于道轨正下方,轮子上盖板与钢轨的垂直距离仅有区区10毫米。这10毫米,本是设计之初的“方寸之地”,
近年来,随着铁路安全规范升级,道轨严禁轻易挪动,

“微创手术”背后的三把“钥匙”
困则思变,变则通。面对“动不得”的铁轨与“必须动”的轮子,洗选发运中心技术团队没有等待,而是拿起创新的“手术刀”,在10毫米的夹缝中寻突破,推出了三把破解困局的
第一把钥匙:“瘦身”不减配
原导向轮直径1100毫米,像个“大胖子”挤占操作空间。团队大胆将其“瘦身”至800毫米,在保持关键轴和轴承原样的前提下,确保了牵引力不减、安全系数不降。轮子变小后,腾挪空间显著扩大,为检修作业打开了新局面。
第二把钥匙:乾坤大挪移
旧轮子的上盖板为横向设计,恰好被铁轨挡住。技术团队巧妙将其旋转45度,让盖板与铁轨方向平行,如同将一道“拦路门”改成了“旋转门”。从此,拆装工具可从容伸入,再也无需搬开铁轨这位“拦路虎”。
第三把钥匙:偏心不移线
轮子缩小后,为避免钢丝绳位置跑偏,团队精准计算,将新导向轮的中心向铁路中心偏移,确保钢丝绳的牵引轨迹分毫不差,保障了系统运行的平稳与精准。

从“十几个小时”到“两小时”的效率革命
新导向轮投入使用后,效果立竿见影。最直观的变化是时间:过去需要十几个小时的“大手术”,如今压缩为2小时的“常规保养”。工人师傅们无需再配合大型机械拆轨,只需在装车间隙,即可轻松完成拆检。
更深层的变革是流程:过去层层协调铁运处、申请线路封锁的繁琐环节被彻底取消,只要有两个小时的装车空档,就能随时开展维护。这不仅解放了人力,更解决了因维护而延误装车的“老大难”问题,火车道周转效率得到显著提升。
方寸之间的创新启示录
“这项改造,没有高精尖的材料,也没有复杂的控制系统,有的只是对现场工况的'死磕’和对现有条件的‘巧用’。”参与设计的技术人员感慨道。
这个在10毫米夹缝中诞生的创新,看似微小,却蕴含着重大现实意义:它证明了在现有设备基础上,通过精巧的“微创”式改造,同样能解决“伤筋动骨”的大难题。不仅为煤矿每年节省了可观的维护时间和协调成本,更为同类型铁路装车系统的设备维护,提供了一套可复制、可推广的“中国式”技改方案。
如今,五股道的“铁牛”依旧轰鸣,但它的“关节”已变得灵活自如。这场发生在十毫米间的乾坤挪移,正是兴隆庄煤矿基层创新活力在细微处奔涌的生动写照,也为煤矿高质量发展写下了浓墨重彩的一笔。